archive:nmk201
                Table of Contents
NMK20103 - Microprocessor
Note20241219 This page is being updated - work in progress…
This course is Microprocessor, offered by the Faculty of Electronics Engineering & Technology.
Announcements
[20241219] Updating this for 202425s1 Academic Session.
Resources
Lecture Slide(s):
Reference(s):
- 8085 (Datasheet)
- 8085 Instructions Set (full)(1-page summary table))
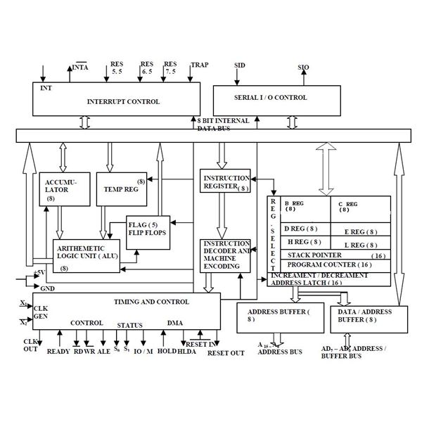
- 8085 Internal Architecture (schematic)
archive/nmk201.txt · Last modified:  by azman
                
                