Table of Contents
Lab Work 1 - Basic Equipments/Components
This module consists of 2 parts:
- Refresher module for basic electronics lab equipments
- Introductory module for basic electronics components (focusing on digital components)
Refresher Module
Among other things…
- Essential Stuffs
- Breadboard
- Power Supply
- Measurement & Monitoring
- Multimeter
- Oscilloscope
- LED?
- Test/Input Signal Synthesis
- Function generator
- Switches?
This looks a lot like basic circuit theory stuffs because of the fact that both comes from the same fundamental theory. Things will be more digital-centric in subsequent module(s).
Essential Stuffs
The stuffs you need…
Breadboard
A breadboard is a base platform for prototyping of electronic circuits. Unlike stripboards and such, it does not require any soldering and therefore reusable. Read more @ wikipedia
Breadboards are available from several different manufacturers, but most of them share a similar layout. The layout of a typical breadboard is made up from rows/columns (strips) of interconnected electrical terminals. There are two types of strips: bus strips and terminal strips.
Notice the middle divider provides a way to place DIP ICs on the board, which is very useful for digital circuits.
Power Supply
More accurately, we need a DC power supply, which provides constant DC voltage to our digital circuits. A laboratory DC power supply has at least one variable voltage source with the option of modifying current output. Some DC power supply (like the ones at our lab) has fixed 5V output, which is exactly what is needed for most digital circuits.
Disclaimer:The image above is copied from manufacturers's site
Things to know:
- output control button: some power supply has an output voltage control button, which is separate from the main switch of the power supply.
- closed-circuit detection: some power supply can detect closed-circuit (short) condition and has an indicator (usually an LED, or changing color of the power indicator LED)
Measurement and Monitoring
Basically, this is what you want at your output terminal.
Multimeter
Simple measurement device. Basic ones measure voltage, current and resistance. A more advanced multimeter (usually digital) can measure capacitance and inductance as well. An even more advanced one can have sensors (built-in or attached). Read more @ wikipedia
| Common Multimeters | |
|---|---|
| |
| Analog Multimeter | Digital Multimeter |
| Multimeter Test Lead | |
|
|
| Note that some multimeters may use other probes like crocodile clips | |
Disclaimer:The images above are copied from the Wikipedia page (link provided above)
For digital circuits, we can use multimeters to either check power supply, or logic state of a node. Also, sometimes, we use multimeters to check for closed-circuit (short) conditions.
Oscilloscope
It is basically a test equipment mainly used to observe changes of an electrical signal (voltage) over time, which is graphically observed as waveforms. The observed waveform can be analyzed for such properties as amplitude, frequency, rise time, time interval, distortion and others. Oscilloscopes (most of the time simply called scopes) these days are mostly digital, which is capable of directly calculating and displaying signal properties. Read more @ wikipedia
Disclaimer:The image above is copied from manufacturers's site
One of the most important thing to do before you start using an oscilloscope is to make sure it is calibrated. There is usually a calibration point that constantly emits a signal at specific amplitude and frequency (usually 2V peak-to-peak at 1kHz). So, simply connect a probe to that point and make sure the displayed waveform is as expected.
Things to know:
- for digital applications, set the channel to use DC coupling and voltage scale at 2V or 5V
- the voltage range for digital circuits is usually between 0-5V
- older scopes require user to 'calculate' amplitude and frequency by observing the scales
- this is actually a good skill to have
LED
For a simple digital circuit (e.g. with a single output node), to monitor the output logic state using an oscilloscope is probably too much. LED can be an option in this case (like the indicators in many electronic equipment and electrical appliances). There are two ways an LED can be connected:
Test/Input Signal Synthesis
Basically, this is what you need to use at your input terminal.
Function generator
As the name implies, a function generator generates different types of electrical waveforms over a wide range of frequencies. Common waveforms produced by the function generator are the sine, square, triangular and sawtooth shapes. For digital applications, a pulse generator is actually more suitable but, in order to reduce costs, function generators (using square-wave) is preferable especially when used in electronics lab where both analog and digital circuits are used. Read more @ wikipedia
Disclaimer:The image above is copied from manufacturers's site
Some function generators have a TTL/CMOS output that provides a fixed 5V signal. This is what we use for digital applications.
Switches
The easiest way to simulate a logic level input is to simply connect Vdd or GND to you input (through resistors if you want to make it safer). A more systematic method is to use switches. As with the LED, there are two ways this can be done:
Things To Do
THING 1 Try the LED as digital monitor. Use the power supply as your input, but start at 0V. Slowly increase the output voltage to 5V. Note at what voltage level will the LED turn OFF/ON.
THING 2 Try to verify function generator output using oscilloscope. Use 5V peak-to-peak.
THING 3 Set the function generator to generate 1 Hz signal and use the LED to monitor the output of the function generator. Change the waveform shapes and see if you can notice any difference.
ask your instructor for more…
Introductory Module
We are going to look at common logic gates IC module:
Datasheets
Datasheets are documentations for electronic components. They can be sometimes hard to understand, simply because they are prepared by engineers… for engineers (thinking only those who already understands will read them). But, most basic (and important) information will always be available somewhere in them.
The first thing what we usually look for is the pin diagram (or pinout or connection diagram etc.) - this will help designers how to connect that particular component to another component. Sometimes, a functional block digram is also needed here.
When working with new components, it is also good to look at electrical specifications. Here, things like absolute maximum ratings and recommended operating conditions should be observed in detail. In addition to that, we usually look at electrical characteristics and switching characteristics in order to decide whether the component will fit into our current design specifications. For components that require timing information, timing diagrams are available.
Datasheets for some components that are not common will usually include detailed schematics to show how they can be connected and what other components should be used along with them.
For board designs, physical dimensions of the component is also included so that designers can prepare a proper footprint for it. Sometimes there will also be a section on layout considerations, which provides suggestions on how the board should be prepared in order to allow the component to perform as designed.
Do try to identify the various sections mentioned above.
From Schematic to Breadboard
Schematic symbols of common logic gates:
Disclaimer: The images above are copied from SparkFun's tutorial sites
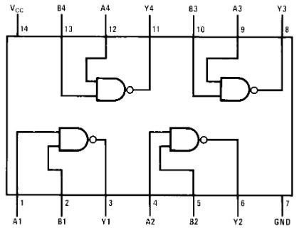
Example of a connection diagram for an IC (integrated circuit):
Disclaimer: The image above is copied from datasheet provided the manufacturer (link available above)
Notice for every pin there is a label and a pin number. Try to find out how to identify pin 1 on an IC.
Logic Verification
To verify if a logic gate is working (in other words, this is how we 'test' a gate), we simple have to check if the output driven by a gate is as expected (when a known set of input is asserted). This mapping of input signal to output signal is usually specified in the form of a truth table (in the datasheet, it may be called function table).
To verify a p-input and q-output logic gate:
- create a truth table with p+q columns, and 1+2p rows (including first row header)
- populate the input columns with p-bit binary values from 0 to 2p-1
- connect the hardware logic accordingly
- for every input row, assert Vdd/GND accordingly at the hardware input
- monitor the output and fill in the output column(s) accordingly
- compare the complete truth table with the one given in the datasheet
Things To Do
THING 1 Verify all logic gates listed above.
THING 2 Create an XOR gate using inverter(s), AND gate(s) and OR gate(s). Verify the circuit.
THING 3 Create 3-input NAND logic. Verify the circuit.
ask your instructor for more…














