Table of Contents
Lab Work 3 (Part 2)
One-Shots and Oscillators
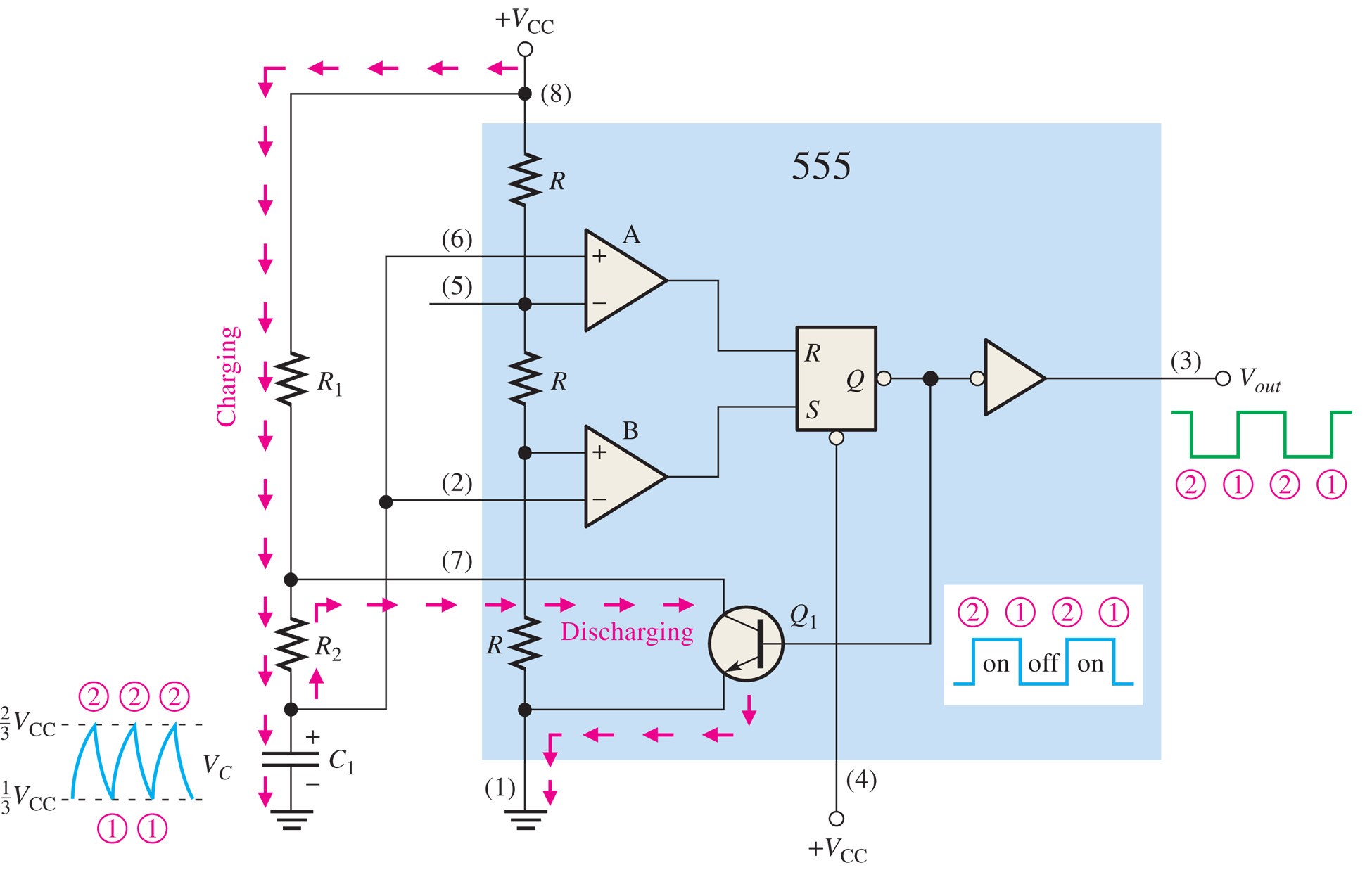
We will be using the versatile 555 timer as both a monostable multivibrator (one-shot) and an astable multivibrator (oscillator). The internals of a 555 IC is shown below.
Disclaimer: The image above is extracted from resources available for Digital Fundamentals 11th Edition (Global Edition)
The main internal components of a 555 timer are 2 voltage comparators that are configured by a voltage divider circuit that provides a trigger value of and a threshold value of
. These values can be externally adjusted using the control voltage pin (5).
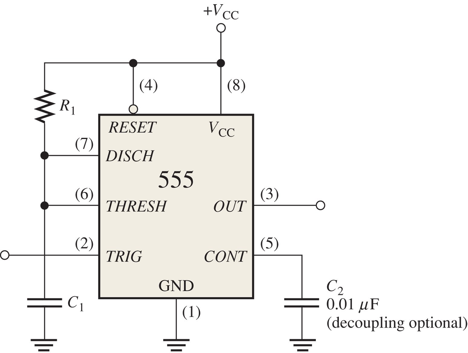
555 One-shot Operation
We just need a resistor and a capacitor for this (an extra decoupling capacitor is optional).
Disclaimer: The image above is extracted from resources available for Digital Fundamentals 11th Edition (Global Edition)
Initially, the circuit will settle down to its stable state.
Disclaimer: The image above is extracted from resources available for Digital Fundamentals 11th Edition (Global Edition)
When triggered, it will set the internal R-S latch, which consequently enables the circuit to charge the capacitor.
Disclaimer: The image above is extracted from resources available for Digital Fundamentals 11th Edition (Global Edition)
Once the capacitor is fully charged (actually, once the voltage is over threshold) and the trigger signal is deasserted, comparator A should cause the latch to reset and consequently cause the discharging of the capacitor.
Disclaimer: The image above is extracted from resources available for Digital Fundamentals 11th Edition (Global Edition)
Notice that the pulse width generated at the output pin should be around
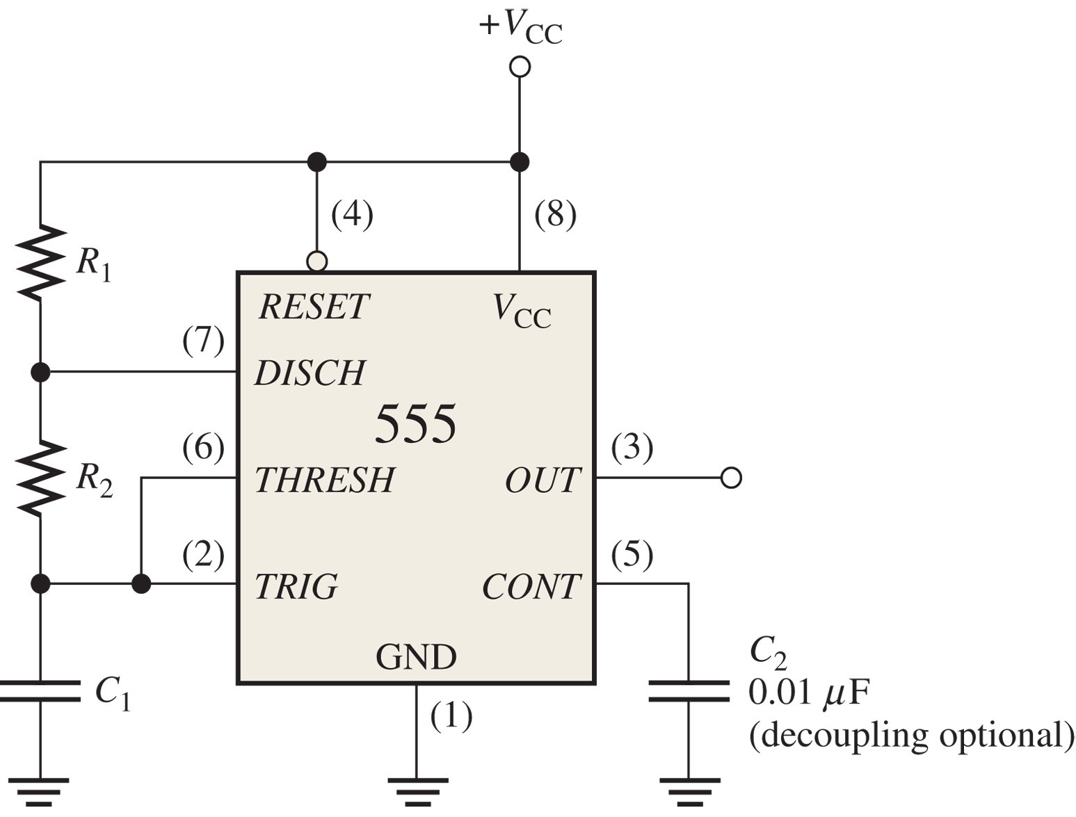
555 Oscillator Operation
This time we need an extra resistor.
Disclaimer: The image above is extracted from resources available for Digital Fundamentals 11th Edition (Global Edition)
This is how the the oscillator works - the capacitor is charged through the two resistors ( and
) when the internal transistor
is off, and discharged through
when transistor
is on.
Disclaimer: The image above is extracted from resources available for Digital Fundamentals 11th Edition (Global Edition)
The frequency of the generated signal at the output pin should be . The time that the output is at
should be
, while the time for the output to be at GND should be
. Thus, the duty cycle is given by
.
To get a duty cycle of less than 50%, we need a diode in order to bypass when charging the capacitor.
Disclaimer: The image above is extracted from resources available for Digital Fundamentals 11th Edition (Global Edition)
Thus, the duty cycle is now given by .
Things To Do
THING1 Build a one-shot circuit that produces 1ms pulse. Determine a suitable R & C values. Verify.
THING2 Build an oscillator circuit that produces 1kHz (50% duty cycle) square-wave signal. Verify.
THING3 (Optional) Build an oscillator circuit that produces 50Hz signal, and . Verify.








